在研究機構、大學以及微生物、制藥、食品和化學實驗室、醫院中心滅菌服務部,醫療診所,手術室等有生物安全要求的場所中,會根據不同需要配備小型或者大型的高壓蒸汽滅菌器,對器皿,材料和介質進行適當的滅菌處理。2020年新冠肺炎蔓延,感染率高,傳播速度快,為了防止交叉感染和氣溶膠的散播,為醫護人員提供最佳的安全防護,高壓滅菌器功不可沒。

高壓蒸汽滅菌器如果使用不當,會遇到另人頭疼的問題——結垢。因為結垢,后續會讓麻煩多多,不僅縮短滅菌鍋的使用壽命,影響滅菌效果, 還會帶來安全方面的隱患。
水垢沉積在內壁,阻礙受熱面傳熱,耗能增加
彌散顆粒物給設備內壁造成劃痕,破壞表面鍍膜,嚴重銹蝕不銹鋼表面
顆粒進入管道會造成管路堵塞
水垢沉積在蒸汽、溫度傳感器等儀表表面,使儀表工作失常
對于大型滅菌器來說,結垢帶來的后果尤為嚴重。因為水垢的導熱性比滅菌器的鋼板小數十倍到數百倍,結垢后影響熱傳遞,容易造成局部金屬壁溫度聚增,內壁變形,甚至引起事故,影響安全運行,帶來生命和財產的損失。

滅菌器結垢主要是在高溫條件下,水中鈣鎂等金屬離子形成難溶解的碳酸鹽或其他沉淀物引起的。
所以水的硬度是一大“元兇”!

因此,為了避免水垢對滅菌器的影響,滅菌鍋使用的水應達到一定的標準。
既然結垢與水的硬度有關,那是否使用軟化裝置處理過的軟水便可以作為滅菌器供水呢?
其實不然。軟化裝置可去除水中的鈣、鎂離子,但是對金屬離子的去除效果很難保證,而且不能有效去除水中的硅。另外,對水質的參數不能實時監測,無法保證滅菌鍋水質達標。
也有用戶使用蒸餾水,并在滅菌器內部循環,這種做法并不可取。 因為循環造成水質持續下降,機器產生故障率極高,而且蒸餾水器費水費電,水質穩定性差,安全性能低,容易造成安全事故。
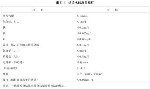
除了硬度要求,滅菌器的進水還對其他指標有較高的要求,比如水中鐵,pH值、鎘、鉛等重金屬雜質。國標《GB 8599-2008大型蒸汽滅菌器技術要求自動控制型》對滅菌器的進水指標做出了規定。要求進水電導率不超過5 μS/cm,二氧化硅含量不超過1㎎/L,硬度要求不超過0.02 mol/L,還對鐵、鎘、鉛、氯離子、磷酸鹽、pH、重金屬離子等做出了詳細的規定(如下圖所示)。

配備一套純水設備,持續不斷地供應符合標準的純水才是理想選擇。
通常,RO純水基本可以滿足滅菌器的用水要求。樂楓RO純水設備Genie R采用離子截留率超過95%的RO膜,高效去除多種金屬離子及顆粒物,配備管路水質監控,多屏顯示數據,可為容易清洗維護的小型滅菌器的配套使用。
但RO純水設備受限于進水條件,水質不穩定。相比于小型滅菌設備,大型滅菌器清洗維護難度大,維護成本高,對于進水的要求更為苛刻,為了降低安全隱患,大型滅菌器以及對安全程度要求高的設備還是應該選用水質穩定EDI純水設備。

相比于RO純化技術,EDI純化有著更多的優勢:
1. 帶EDI模塊的純水設備,將RO純化技術作為第一道屏障,并融入了電滲析技術和離子交換技術,技術配置更先進。產水可穩定達到二級純水標準。
2. EDI 模塊中,在電場作用下,離子定向遷移,通過選擇性半透膜后被去除。所以,EDI對水中離子的去除更徹底,也能去除不易被樹脂吸附的弱電離的物質(二氧化硅、硼等)和分子量小的低價金屬離子。
3. EDI純化機理決定了其產水完全不受進水水質的影響,且產水水質穩定。
4. 離子交換樹脂在電流作用下不停交換,連續再生,無需化學處理,綠色環保。
5. EDI水機還具有省水省電、維護簡單,使用壽命長等特點。
大型滅菌器,為了保證其工作性能和使用壽命,還是應該選擇在技術上比RO設備更有優勢的EDI純水儀。
樂楓Genie E臺式純水儀,或者大流量Super-Genie E 純水系統(日產水量高達12000 L),產水電阻率大于5兆歐,典型值可達10-15兆歐,可以幫助使用者提高安全系數,從總體運營上節省資金,降低清洗維護的資金成本和人工成本。

值得一說的是大流量的Super-Genie E,可以給整個實驗室或多樓層供應EDI純水,配有全管路水質監控,水質安全可靠;同時結構集成度高,占地面積小,安裝靈活便捷。
關于樂楓生物
樂楓生物(Rephile Bioscience,Ltd.) 是一家專業從事高端水純化和實驗室分離純化產品研發、設計和制造的企業,為高科技生物技術和生命科學領域的用戶服務。樂楓公司著眼于全球發展,在中國、美國、法國、印度、南非等近20個國家建立了銷售機構,同時也為國際大型公司提供OEM和ODM,產品銷往包括歐美的近100個國家,多所美國常春藤大學、哈佛醫學院丹娜法伯癌癥研究院和約翰霍普金斯大學醫學院都是樂楓純水設備的用戶。2020年,樂楓產品獲選進入華大基因火眼實驗室,為全球疫情防控提供支持。成立十余年,樂楓持續投入研發,創立出了自己的產品品牌RephiLe(瑞楓),推出了多個新概念產品 - 無線連接的Genie系列純水系統和智能型大流量純水工作站Super-Genie等。目前樂楓提供包括低鎂型,低硼型,ICP-MS專用型等適用于各種應用的全范圍超純化柱系列,也提供多款密理博純水系統的兼容耗材,讓國產的品牌為用戶提供可與進口產品媲美的服務。
關注RephiLe 企業微信:樂楓純水,關注樂楓動態!
