上海之信推出高頻納秒可逆與不可逆電穿孔脈沖系統
瀏覽次數:5121 發布日期:2023-3-22
來源:本站 本站原創,轉載請注明出處
上海之信儀器有限公司最新推出高頻納秒可逆/不可逆電穿孔脈沖系統
近日推出的高頻納秒電穿孔脈沖系統,是新一代實驗室用納秒電穿孔腫瘤消融系統。利用線性變壓器原理,能夠產生和釋放納秒級高壓方波脈沖,而不會引起動物肌肉顫振,是當前進行動物腫瘤消融實驗的理想選擇。可與各種專業電極及配件結合使用,已與上海大學和復旦大學附屬華山醫院合作成功應用于豬、狗等動物腫瘤模型的活體消融實驗。此外,它還可用于基因、藥物和蛋白質導入活體體內/體外、核移植、胚胎操作、植物原生質體以及細菌和酵母等場景。
電穿孔脈沖系統具有極寬的電壓和脈沖持續時間調整范圍,脈沖參數設置自由度極高,可滿足動物腫瘤消融、電化療、基因電轉染和食品工程等應用場景的參數設定要求。同時,它還配備了專門的軟件,可進行術前脈沖參數設置和治療方案優化、術中脈沖參數監控、故障排除和日志記錄。該型號產品的相關技術指標已處于國內外同類產品的領先水平。
支持定制,可替代BTX等進口品牌,主機質保3年,上海大學專業售后服務團隊,可為研究者提供技術支持、實驗方案(protocol)共享服務,給研究過程提供支持和便利。
定制客戶:
上海大學 張兵
華中科技大學 趙俊
廈門大學 溫曉斐
| 型號 |
技術性能指標 |
配置 |
| ZQP-86E |
1.脈沖極性:正負脈沖交替
2.脈沖電壓:0~±5kV
3.脈沖電流:≤300A
4.脈沖寬度:100ns~5000ns,可調
5.正負脈沖間隔:500ns~100us,可調
6.脈沖串頻率:≤10Hz
7.脈沖串內脈沖個數:≤200個
8.脈沖串內脈沖頻率:≤1MHz
9.脈沖頂降:≤5%
10.脈沖邊沿:≤50ns |
1.高頻電穿孔脈沖發生器1臺
2.細胞用電極針一套
3.動物組織用電極針一套 |
、
新型納秒脈沖系統,可廣泛用于生物醫學和生物技術領域
電穿孔是一種由脈沖電場觸發的細胞通透性現象,廣泛應用于生物醫學和生物技術領域。科學上對電滲透的高壓和/或高頻脈沖發生器的需求越來越大。在這篇文章中,研究人員描述了用于電穿孔的納秒脈沖電場(nsPEF)發電機的基本拓撲,以及在過去二十年中引入的各種內部建造的設備的參數化能力。研究人員對60多種nsPEF發生器進行了分類,列出并比較了脈沖形成特征(脈沖形狀、電壓、持續時間和重復頻率),最后討論了電穿孔技術的發展趨勢。
相關論文以題為“Concepts and Capabilities of In-House Built Nanosecond Pulsed Electric Field (nsPEF) Generators for Electroporation: State of Art”發表在《Applied Sciences》上。
高強度的脈沖電場(PEF)可以觸發生物細胞對外源分子的通透性增加,而這些外源分子原本是不可滲透的。PEF使細胞膜極化,導致脂質重定向并形成孔洞,從而增加分子在細胞膜上的轉運。在可逆電穿孔的情況下(取決于脈沖參數),然后將細胞膜重新密封。因此,電穿孔有多種應用,包括癌癥治療、基因傳遞、食品加工、生物煉制等。在每一種情況下,都需要不同的脈動電場參數,這就為發電機設計的通用性提出了挑戰。在脈沖幅值-持續時間空間中應用的直接分布如圖1所示。

圖1.不同電穿孔應用的脈沖參數的廣義表示。
可以看出,大多數應用程序處于微毫秒范圍內。事實上,較長但振幅較低的脈沖在幾十年來一直是這一領域的主導,然而,最近幾年聚焦較短(納秒)脈沖的作品數量顯著增加。其原因在于傳統的微秒范圍方法的局限性,如生物阻抗依賴的場分布、焦耳加熱、肌肉收縮、電擊穿和氧化應激。納秒脈沖不能完全解決所有的問題,然而,在許多情況下,負面因素是減少的。然而,為了使發電機在納秒范圍內形成數十千伏和數百安培的脈沖,需要先進的脈沖電力電子技術。因此,這種發電機的價格和工程復雜性很高,然而,納秒脈沖電場的應用趨勢使其可行(圖2)。

圖2.根據Clarivate Analytics Web of Science(2020年5月25日),關于納秒電穿孔主題的出版物數量趨勢。
從圖2中可以看出,在過去的十年中,有一個明確的上升的出版物,這部分是由于市場上脈沖形成開關的更好的可用性。隨著更好的半導體(即碳化硅技術)的發展,用于電穿孔的實驗室級發電機的發展也在加強。然而,聚焦用于電穿孔的納秒脈沖發生器的論文數量仍然很低。在使用高頻脈沖的短微秒或亞微秒脈沖前沿也觀察到類似的趨勢(圖3),這可能是長微秒到納秒范圍的自然過渡步驟。
圖3.根據Clarivate Analytics Web of Science(2020年5月25日),關于高頻電穿孔主題的出版物數量趨勢。
為了治療的最佳效果,許多電穿孔參數必須調整,即脈沖振幅和持續時間、重復頻率、波形和脈沖數。因此,在研究PEF的新現象和生物學效應時,電porators的通用性是很重要的。
脈沖形成使用電容放電電路
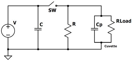
直接電容放電脈沖形成電路的概念是最常見、最簡單和最古老的脈沖形成概念之一。它是基于能量的轉移存儲在電容器到負載通過明確的電壓脈沖。脈沖傳輸通常由半導體開關控制。根據開關類型或驅動模式,波形要么是矩形(使用金屬氧化物半導體場效應晶體管(MOSFETs)和絕緣柵雙極晶體管(IGBTs)),要么是指數衰減波(較老的概念通常用于晶閘管)。對于指數衰減脈沖,脈沖的持續時間(衰減時間)由放電電路的RC參數決定,而對于矩形脈沖,其參數主要受開關能力和放電電容值的限制。電容放電脈沖發生器的原理脈沖形成電路如圖4所示。
圖4.一種直接電容放電脈沖發生器的原理電路。
該脈沖發生器由可變高壓電源V、放電電容器C、開關SW和可選電阻r組成。直接電容放電拓撲設計簡單且價格低廉。但是,為了保證矩形波的傳輸和限制脈沖幅值的下降,需要一個高容量(從lv到mF范圍)的電容器組,開關必須承受全電壓幅值。它限制了在高電壓的情況下可用開關的選擇。在這種情況下,幾個串聯開關必須使用,這導致增加了復雜的發電機由于挑戰在開關同步。
為了克服直接電容放電概念的局限性,可以使用更復雜的模塊化電路拓撲。它提供了幾個開關之間的電壓分布,并為輸出脈沖形狀和振幅提供了額外的靈活性。圖5給出了一個簡單的模塊化結構示例。

圖5.模塊化直接電容放電脈沖發生器的原理電路。
結論
人們對用于電穿孔的更短、更高強度的脈沖電場越來越感興趣,這導致了對nsPEF電穿孔器的需求不斷增長。針對nsPEF電子轉換器的脈沖形成電路的設計方法多種多樣。傳統的傳輸線電路拓撲被采用,然而隨著SiC mosfet的發展,產生了一波先進的脈沖參數可調的直接電容放電nsPEF電晶體。
以上可詳詢手機:17301696315