蔡司全新場發射掃描電鏡Sigma系列隆重上市
瀏覽次數:2828 發布日期:2023-1-16
來源:蔡司顯微鏡
2022年12月20日蔡司中國新一代場發射掃描電鏡Sigma系列新品線上發布會成功舉辦。為滿足新能源,新材料,電子半導體和集成電路,深海,太空,生命科學,考古等熱門領域的高分辨率成像和全面分析的需求,蔡司全新推出的場發射掃描電鏡Sigma 360和Sigma 560,傳承GEMINI電子鏡筒的優良性能,將會是材料研究、生命科學和工業檢測等領域的 “全能多面手”。蔡司致力于和用戶一起攜手共進,推動科學發展與行業進步。
▲ 蔡司全新場發射掃描電鏡Sigma 360與Sigma 560
蔡司中國顯微鏡事業部材料科研負責人黃銘剛先生出席線上發布會并為全新Sigma系列揭幕。他提到:“作為蔡司集團歷史最悠久的部門之一,蔡司顯微鏡秉承創新的基因,持續利用前沿技術,為不同行業的客戶提供跨尺度、多模態的顯微成像分析解決方案。我們堅信全新的Sigma系列必將助力客戶持續成功。”
▲ 黃銘剛先生致辭并為新品揭幕
蔡司顯微鏡材料科學全球市場總監Benjamin Tordoff博士也受邀在發布會中致辭并介紹了全新Sigma系列的關鍵技術特點,尤其是低電壓性能方面得到了極大提升。
▲ Benjamin Tordoff博士介紹產品特點
隨后,蔡司中國顯微鏡應用經理秦艷女士詳細介紹了全新Sigma系列的前沿技術。高分辨、全分析、多擴展、強智能、廣應用,新一代場發射掃描電鏡Sigma系列與您一同開啟納米分析新紀元!
全新Sigma系列亮點:
高分辨
GEMINI電子光學技術再度升級,分辨率進一步提升,低電壓效果更加優秀,讓您的高分辨成像工作更加得心應手。

低電壓高分辨成像結果(Al2O3顆粒,1kV)
低電壓高分辨成像結果(氧化鋯&氧化鐵復合材料,1kV)

低電壓高分辨成像結果(納米金顆粒,1kV)
全分析
可配置多種分析手段,獲取樣品全面信息。
✓ 全新NanoVP Lite保證低真空EDS分析精度
✓ 電子通道襯度成像(ECCI)分析樣品內部缺陷
✓ 無漏磁物鏡搭配EBSD,實現高精度晶體取向分析
✓ Raman-SEM聯用系統,輕松實現高精度原位拉曼分析

不銹鋼ECCI成像

Si/Al界面的EDS線掃描

鋁合金斷口EBSD

鐵礦石Raman相鑒定
多擴展
超強的擴展兼容性,為您拓展電鏡應用新維度。它可以是您的全自動原位實驗平臺,可以是您的冷凍傳輸分析系統,也可以是您的高精度電子束直寫(EBL)平臺,還可以是您的原位電化學分析工作站,等等。

鋼鐵樣品800°C
原位自動EBSD

EBL制備GaN
HEMT器件

含油巖心
冷凍成像 1kV
強智能
智能軟件不能少,帶您解鎖掃描電鏡新玩法。SmartSEM Touch定制軟件為您帶來觸屏式、流程化的拍攝與自動拼圖體驗,操作高效又安全;ZEN軟件讓圖像處理等量化分析工作更加自動、智能;Connect模塊可輕松實現光電關聯,一站式解決您的定位難題。

簡潔的SmartSEM Touch操作界面

顆粒分析

高級測量滿足多種測量需求

層厚測量
廣應用
廣泛的應用適用性,無論是材料科學研究、工業檢測,還是生命科學領域;無論是金屬、聚合物,還是陶瓷、礦石;無論是不導電樣品、電子束敏感樣品,還是磁性樣品;無論是半導體材料、鋰電池材料,還是生物樣品,它行行全覆蓋,樣樣都拿手。
磁性材料

含Ni磁性樣品,1kV成像

強磁性釹鐵硼磁鐵
未消磁處理,10kV成像
納米材料

BN 納米片,1kV成像

SiO2小球包覆PS核殼結構
1kV背散射成像
半導體材料

InP襯底材料的量子阱結構
1kV成像

光柵截面傾斜觀察
1kV成像
樣品來自北京至格科技
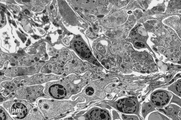
生命科學

苔蘚蟲的高倍背散射成像

樹突狀細胞的高分辨率超微三維結構
如果想要了解“樣樣都拿手”的蔡司全新場發射掃描電鏡Sigma 系列的更多內容,您可以關注蔡司顯微鏡微信公眾號了解詳情,更可以在公眾號中獲取豐富的顯微前沿資訊,了解蔡司最新產品及技術。