直播預告|生物電鏡常規超薄切片技術的難點和要點
瀏覽次數:4379 發布日期:2020-11-23
來源:本站 本站原創,轉載請注明出處
人類探索未知的腳步從未停止。技術的突破與革新不斷推動科學的進步。如今,冷凍電鏡技術在結構生物學領域大顯身手。然而,常規電鏡在細胞生物學領域依然是重要的技術手段,其中常規超薄切片技術不僅在生物醫學研究及臨床病理診斷中應用廣泛,而且是電鏡工作者的基本技能。對該技術很好地理解掌握和領會,更有助于快速學習掌握相關高級技術。相比較材料樣品而言,生物樣品的前期制備顯得尤為重要,而且每個環節步步為營、細微之處見成敗。報告將分析總結其中的難點和要點,尤其針對取材和電鏡觀察環節,從解剖學、組織學,以及超微結構辨識方面舉例講解。并就常見問題及其應對與大家分享討論。
報告題目
生物電鏡常規超薄切片技術的難點和要點
直播時間
2020年11月27日上午10:00-11:30
報名方式
楊琳,中國科學院遺傳與發育生物學研究所高級工程師。人體組織學與胚胎學碩士,北大醫學部細胞生物學博士。有堅實的形態學理論基礎,掌握多種光鏡與電鏡技術。目前負責分子發育生物學國家重點實驗室組織病理與透射電鏡平臺運行管理、實驗設計、技術指導與培訓等工作。入選2015年度中科院關鍵技術人才;參與國家自然基金重點項目和重大研究計劃;協助發表一系列相關國際主流期刊論文。

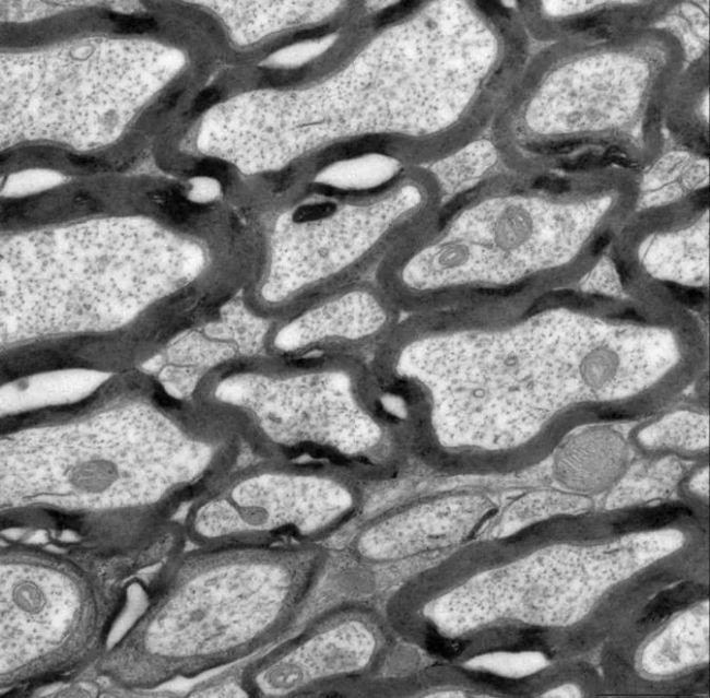
小鼠腦白質有髓神經纖維橫斷面,低倍透射電鏡圖

小鼠腦白質有髓神經纖維橫斷面,局部放大高倍透射電鏡圖

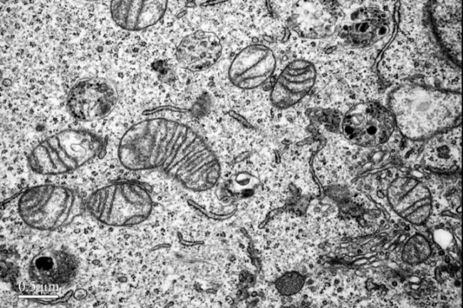
體外培養mef細胞,透射電鏡圖